




Вентилятор равлик малий (відцентровий) Турбовент ВРП 140
У компанії підключені електронні платежі. Тепер ви можете купити будь-який товар не покидаючи сайту.Опис
Характеристики
Інформація для замовлення
Центробіжний радіальний вентилятор ВРП 140 може використовуватися в різних цілях: вентиляції промислових і побутових приміщень, обдув (охолодження) різного устаткування та ін
Конструктивні особливості:
- корпус – листова сталь,
- крильчатка – динамічно збалансована з оцинкованої сталі, з назад загнутими лопатями.
- Двигун – однофазний асинхронний в міцному металевому корпусі (сталь/алюміній),
- підшипники кочення забезпечують тривалий період експлуатації,
- клас захисту двигуна IP 44.
Монтаж даних вентиляторів можливий у вертикальному положенні.
Кріплення здійснюється за допомогою спеціальних отворів на кронштейні.
Технічні характеристики
| Модель | Частота обертання, об/хв | Продуктивність, м3/год | Потужність, Вт | Тиск, Па | Шум, дБ | Напруга, Вт |
|---|---|---|---|---|---|---|
| ВРП-80/1 М | 2500 | 90 | 40 | 160 | 52 | 220 |
| ВРП-80/1 П | 2500 | 90 | 40 | 160 | 52 | 220 |
| ВРП-108 | 2450 | 195 | 35 | 240 | 54 | 220 |
| ВРП-120 | 2350 | 260 | 80 | 290 | 61 | 220 |
| ВРП-130 | 2600 | 300 | 180 | 300 | 63 | 220 |
| ВРП-130/1 | 2500 | 390 | 180 | 500 | 74 | 220 |
| ВРП-140 | 2650 | 520 | 200 | 480 | 75 | 220 |
| ВРП-150 | 2700 | 660 | 330 | 460 | 76 | 220 |
| ВРП-300 | 1360 | 2470 | 870 | 395 | 68 | 220 |
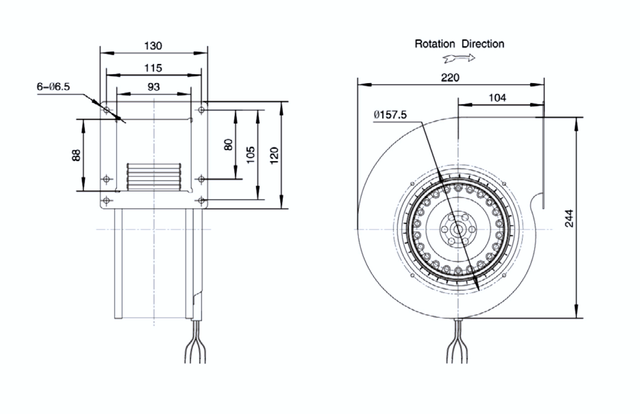
Габаритні розміри

Графік залежності (тиск/продуктивність)

Якщо у Вас є які-небудь питання щодо осьових промислових вентиляторів Турбовент ВРП, телефонуйте по кожному з вказаних номерів телефонів представник торгової марки Турбовент з задоволенням Вам допоможе.
| Основні | |
|---|---|
| Виробник | Turbovent |
| Вага | 3 кг |
| Гарантійний термін | 12 міс |
| Максимальна запиленість повітря | 10 мг/куб.м |
| Максимальна температура навколишнього середовища | 40 град. |
| Максимальний робочий тиск | 0.0046 Па |
| Мінімальна температура навколишнього середовища | -30 град. |
| Напруга мережі | 220~240 В |
| Споживана потужність | 0.2 кВт |
| Продуктивність | 520 куб.м/год |
| Ступінь захисту IP | 44 |
| Тип каналу | Прямокутний |
| Тип конструкції промислового вентилятора | Радіальний(Відцентровий) |
| Тип промислового вентилятора за виконанням | Багатозональний |
| Рівень шуму | 75 дБ |
| Частота обертання | 2650 об/хв |
| Частота струму | 50 Гц |
- Ціна: 4 499 ₴



